1-218-444-4478
Join Now
Member Login
SIGN IN
Membership
Purchase Manuals
More
HOME
ABOUT
CONTRIBUTE
SERVICES
KEN J COLLECTION
BLOG
Restrictor Valves
Highlights
Growing collection of rare original Restrictor Valves manuals
REST MANUALS AND RESOURCES AVAILABLE WITH MEMBERSHIP (1 document)
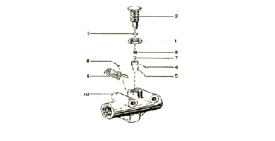
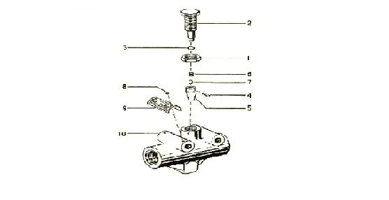
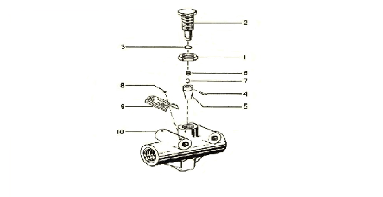
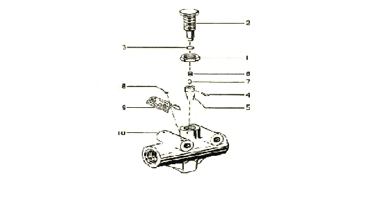
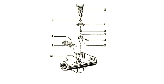
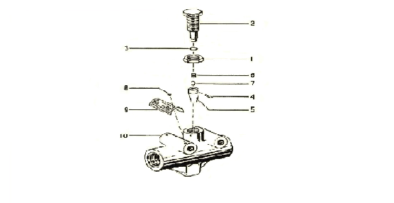
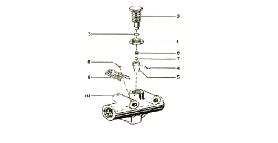
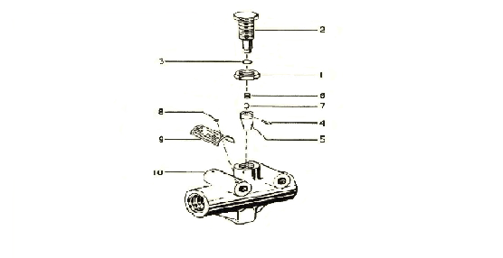
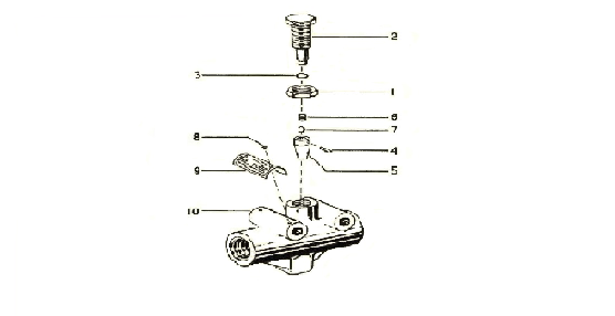
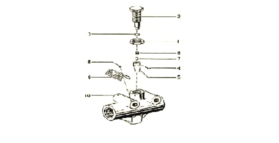
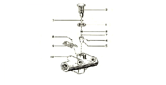
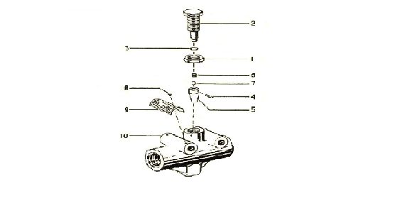
Overhaul Instructions with Parts Breakdown for Restrictor Valve Assembly Part No. HC-5146
15-Aug-1952
AN 03-30BC-3
×
Flag an issue
Page:
User Id:
Description:
×
Login
Email:
Password:
Remember Me?
Forgot your password?