Document Description

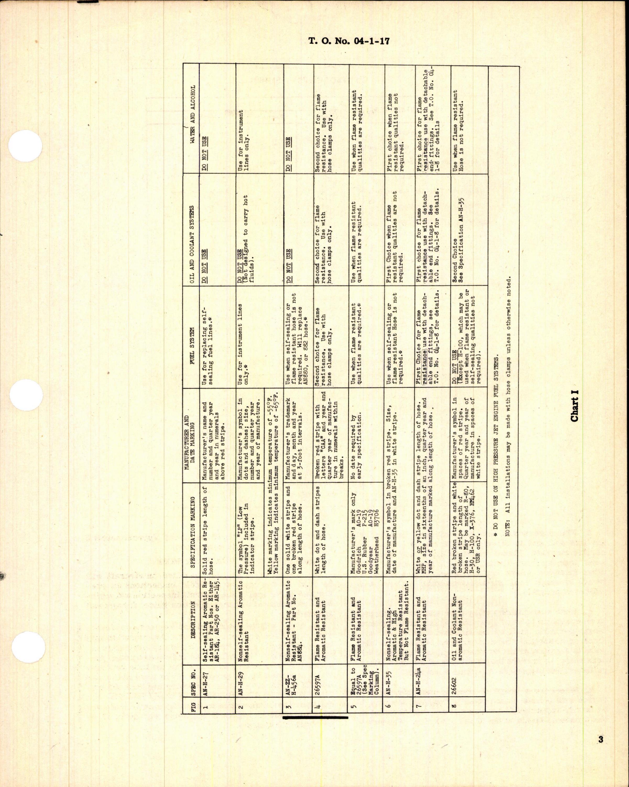
Identification, Installation, Inspection, Shipping, & Storage of Aircraft Hose , T.O. No. 04-1-17, 15-Mar-1949

Document Part Number

T.O. No. 04-1-17

Document Revision Date

15-Mar-1949

Already a Member?

Sign in to read this full document


Become a member

To access this and thousands of other manuals, plus over 400,000 warbird engineering drawings!

JOIN NOW


Don't want to join?

No problem - Click below to purchase a digital download of this manual from our storefront!

PURCHASE NOW

Sample Page: 1 of 3